| |
CY14-1B轴向柱塞泵
|
一、概论
本系列轴向柱塞泵将具有31.5MPa压力的纯净的液压油输入到各种油压机、液动机等液压系统中,以产生巨大的工作动力。
同时该油泵可以作为液压马达使用。根据需要,本油泵有多种变量形式。本油泵,油马达广泛用于船舶、航空、矿山、冶金、压铸、锻造、机床的各类机械中,其特点是体积小、效率高、寿命长、设计先进、结构紧凑、维护方便。 |
| 二、型号说明 |
|
示例:63SCY14-1B
表示:排量为63毫升/转,压力为31.5MPa的手动变量的缸体旋转的轴向柱塞油泵。
(即1000r/min时公称流量为63L/min) |
| 三、油泵系列规格(见表1.表2) |
表1 CY14-1B、CM14-1B轴向柱塞泵(马达)系列参数 |
公称排量 |
1.25 |
2.5 |
5 |
10 |
2.5 |
|
63 |
160 |
250 |
额定压力(MPa) |
31.5 |
理论(空载)排量(ml/r) |
1.74 |
3.49 |
5.5 |
10.9 |
26.9 |
|
67.8 |
175.6 |
253.8 |
1000r/min的公称流量(l/min) |
1.25 |
2.5 |
5 |
10 |
25 |
40 |
63 |
160 |
250 |
公称转速(r/min) |
1500 |
1500 |
1500 |
1500 |
1500 |
|
1500 |
1000 |
1000 |
最高转速(r/min) |
|
最大理论扭矩(Nm) |
8.7 |
17.5 |
27.4 |
54.6 |
134.9 |
|
339.9 |
880.3 |
1272.4 |
1000r/min的最大理论功率(KW) |
0.9 |
1.8 |
2.9 |
5.7 |
14.1 |
20.7 |
35.6 |
92.2 |
133.2 |
变量
形式
|
CCY14-1B |
|
|
|
0 |
0 |
|
0 |
0 |
0 |
DCY14-1B |
|
|
|
√ |
√ |
√ |
√ |
√ |
√ |
YCY14-1B |
|
|
|
√ |
√ |
|
√ |
√ |
√ |
SCY14-1B |
|
|
|
√ |
√ |
√ |
√ |
√ |
√ |
MCY14-1B |
|
|
|
√ |
√ |
|
√ |
√ |
√ |
PCY14-1B |
|
|
|
√ |
√ |
√ |
√ |
√ |
√ |
LCY14-1B |
|
|
|
0 |
0 |
|
0 |
0 |
0 |
ZCY14-1B |
|
|
|
0 |
0 |
0 |
0 |
0 |
0 |
MYCY14-1B |
|
|
|
√ |
√ |
|
√ |
√ |
√ |
BCY14-1B |
|
|
|
√ |
√ |
√ |
√ |
√ |
√ |
|
| ※注:经技术洽谈后订货,有“0”者表示油流可以换向,有√者表示油流不可换向,空白者表示无该品种。 |
表2 GY14-1B(GM14-1B)轴向柱塞泵(马达)系列参数 |
公称排量 |
16 |
32 |
80 |
400 |
额定压力(MPa) |
25 |
理论(空载)排量(ml/r) |
17.0 |
34.1 |
87.6 |
365.5 |
1000r/min的公称流量(l/min) |
16 |
32 |
80 |
400 |
公称转速(r/min) |
1500 |
1500 |
1500 |
1000 |
最高转速(r/min) |
特定 |
最大理论扭矩(Nm) |
67.6 |
135.5 |
348.2 |
1452.7 |
1000r/min的最大理论功率(KW) |
7.4 |
14.8 |
37 |
169.2 |
变量
形式 |
CGY14-1B |
0 |
0 |
0 |
0 |
YGY14-1B |
√ |
√ |
√ |
√ |
DGY14-1B |
√ |
√ |
√ |
√ |
SGY14-1B |
√ |
√ |
√ |
√ |
MGY14-1B |
√ |
√ |
√ |
√ |
PGY14-1B |
√ |
√ |
√ |
√ |
LGY14-1B |
√ |
√ |
√ |
√ |
ZGY14-1B |
0 |
0 |
0 |
0 |
BGY14-1B |
√ |
√ |
√ |
√ |
MYGY14-1B |
√ |
√ |
√ |
√ |
|
| ※注:本产品属CY系列派生系列 |
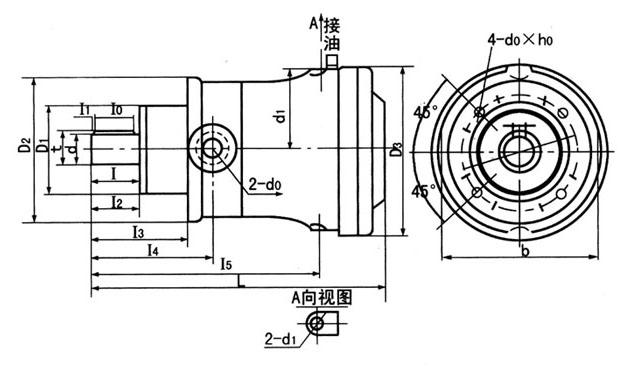
MCY型轴向柱塞泵
|
结构原理简述
MCY型轴向柱塞泵,其原理较为简单,泵的传动轴与缸体用花键联接,带动缸体旋转,使均匀分布在缸体上的七个柱塞绕传动轴中心转动。每个柱塞端部有一个滑靴,定心弹簧通过内套钢球、回程盘,将滑靴压在与轴线成一定倾斜角的斜盘上。当缸体旋转时,柱塞同时作往复运动,完成吸油和压油动作。定心弹簧通过外套将缸体压配油盘上,起初始密封作用。滑靴和配油盘均采用了油压静力平衡,不但减少了泵的磨损,而且使泵具有很高压的容积效率和机械效率。 |
| 结构图 |
|
| 特性曲线 |
|
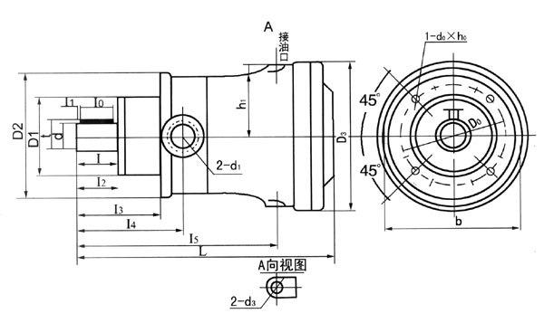
| 1.25,2.5,5MCY14-1B |
|
| 推荐管道尺寸 |
推荐管道尺寸 |
规格 |
进出口油管 |
回油口 |
1.25,2.5MCY14-1B |
18×13 |
10×8 |
5MCY14-1B |
22×16 |
14×12 |
|
| |
型号 |
b |
b0
(N0) |
D0 |
D1
(f9) |
D2 |
D3 |
b0
(N0) |
d
(h6) |
d1 |
d2 |
d3 |
1.25,2.5MCY14-1B |
85 |
5 |
80 |
52 |
94 |
98 |
14 |
14 |
M18×1.5 |
M10×1 |
44 |
5MCY14-1B |
95 |
6 |
90 |
60 |
97 |
102 |
20 |
20 |
M22×1.5 |
M14×1.5 |
48 |
型号 |
L |
I |
I0 |
I1 |
I2 |
I3 |
I4 |
I4 |
I5 |
t |
d0×h0 |
1.25,2.5MCY14-1B |
175 |
25 |
20 |
3 |
26 |
63 |
79 |
79 |
123 |
16 |
M8×14深 |
5MCY14-1B |
196.5 |
32 |
28 |
3 |
34 |
73 |
90 |
90 |
142.5 |
22.5 |
M8×20深 |
|
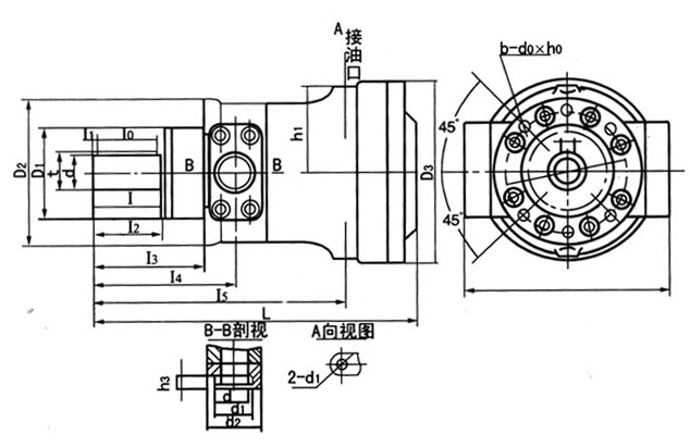
| 10.25.(32).40.63.(80)
MCY14-1B(括号内为MGY) |
|
推荐管道尺寸
1.MCY-14-1B可采用SCY14-1B的管道尺寸。
2.CM14-1B可采用CCY14-1B的管道尺寸。 |
|
型号 |
b |
b0
(N0) |
b3 |
D0 |
D1
(f9) |
D2 |
D3 |
d
(h6) |
d1 |
d2 |
d3 |
h1 |
10MCY14-1B |
142 |
8 |
|
100 |
75 |
125 |
150 |
25 |
M22×1.5 |
|
M14×1.5 |
71 |
25.(32)MCY14-1B |
172 |
8 |
|
125 |
100 |
150 |
170 |
30 |
M33×2 |
|
M14×1.5 |
83 |
40MCY14-1B |
180 |
10 |
|
135 |
100 |
164 |
182 |
32 |
M39×2 |
|
M18×1.5 |
87 |
63.(80)MCY14-1B |
200 |
12 |
|
155 |
120 |
190 |
225 |
40 |
M43×2 |
|
M18×1.5 |
108 |
160MCY14-1B |
340 |
16 |
90 |
198 |
150 |
240 |
300 |
55 |
50 |
64 |
M22×1.5 |
141 |
250.(400)MCY14-1B |
420 |
18 |
110 |
230 |
180 |
280 |
360 |
60 |
55 |
76 |
M22×1.5 |
170 |
型号 |
h3 |
L |
I |
I0 |
I1 |
I2 |
I3 |
I4 |
I5 |
t |
d0×h0 |
10MCY14-1B |
|
253 |
40 |
30 |
4 |
41 |
86 |
109 |
194 |
28 |
M10×25深 |
25.(32)MCY14-1B |
|
308 |
52 |
45 |
4 |
54 |
104 |
134 |
246 |
32.5 |
M10×25深 |
40MCY14-1B |
|
311 |
49 |
45 |
4 |
54 |
104 |
136 |
236 |
35 |
M10×25深 |
63.(80)MCY14-1B |
|
385 |
60 |
50 |
4 |
62 |
122 |
157 |
300 |
42.8 |
M10×25深 |
160MCY14-1B |
25 |
525 |
106 |
100 |
4 |
110 |
180 |
230 |
411 |
59 |
M16×25深 |
250MCY14-1B |
25 |
622 |
110 |
100 |
5 |
112 |
212 |
272 |
492 |
63.9 |
M20×25深 |
400MCY14-1B |
28 |
632 |
110 |
100 |
5 |
112 |
212 |
277 |
502 |
63.9 |
M20×35 |
|
| |
| |