| |
PCY型轴向柱塞泵
|
PCY型轴向柱塞泵结构原理简述
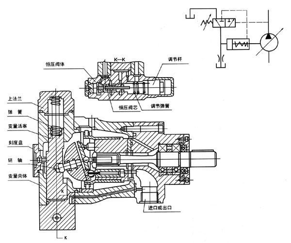
这种变量型式的泵,输出压力小于调定恒压力时,全排量输出压力油,即定量输出,在输出油液的压力达到调定压力时,就自动地调节泵流量,以保持该恒压力,满足系统的要求。泵的输出恒压值,根据需要,在调压范围内可以无级调定。泵的结构见上图,该结构将输出压力油同时通至变量活塞下腔和恒压阀的控制油入口,当输出压力小于调定恒压力时,作用在恒压阀芯上的油压推力小于调定弹簧力,恒压阀处于开启状态,压力油进入变量活塞上腔,变量活塞压在最低位置,泵全排量输出压力油:当泵在调定压力工作时,作用在恒压阀芯上的油压推力等于调定弹簧力,恒压阀的进排油口同时处于开启状态,使变量活塞上下腔的油压推力相等,变量活塞平衡在某一位置工作,若液压阻尼(负载)加大,油压瞬时升高,恒压阀排油口开大、进油口关小,变量活塞上腔比较下腔压力降低、变量活塞向上移动,泵的流量减小,直至压力下降到调定恒压力,这时变量活塞在新的平衡位置工作。反之,若液压阻尼(负载)减小,油压瞬时下降,恒压阀进油口开大,排油口关小,变量活塞上腔比较下腔油压升高,变量活塞向下移动,泵的流量增大,直至压力上升至调定恒压力。 |
| 结构图 |
|
| 特性曲线 |
|
| 10.25.(32).40.63.(80)PCY14-1B括号内为PGY |
|
| 160.250.(400)PCY14-1B |
|
型号 |
进口 |
出口 |
回油口 |
10PCY14-1B |
22×16 |
18×13 |
10×8 |
25(32)PCY14-1B |
34×24 |
28×20 |
10×8 |
40PCY14-1B |
42×30 |
34×24 |
12×10 |
63(80)PCY14-1B |
50×38 |
42×30 |
12×10 |
160PCY14-1B |
63×46 |
50×38 |
18×15 |
250PCY14-1B |
75×55 |
63×46 |
18×15 |
400PGY14-1B |
90×66 |
75×55 |
22×18 |
|
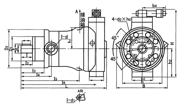
| |
型号 |
B |
b |
b0
(N9) |
b1 |
b2 |
b3 |
b4 |
D0 |
D1
(f9) |
D2 |
D3 |
d
(h6) |
d1 |
d2 |
d3 |
10PCY14-1B |
180 |
142 |
8 |
50 |
88 |
|
110 |
100 |
75 |
125 |
150 |
25 |
M22×1.5 |
|
M14×1.5 |
25(32)PCY14-1B |
191 |
172 |
8 |
66 |
100 |
|
110 |
125 |
100 |
150 |
170 |
30 |
M33×2 |
|
M14×1.5 |
40PCY14-1B |
191 |
172 |
10 |
66 |
100 |
|
110 |
135 |
100 |
150 |
170 |
32 |
M39×2 |
|
M18×1.5 |
63(80)PCY14-1B |
258 |
200 |
12 |
74 |
104 |
|
110 |
155 |
120 |
190 |
225 |
40 |
M42×2 |
|
M18×1.5 |
160PCY14-1B |
322 |
340 |
16 |
100 |
120 |
90 |
110 |
198 |
150 |
240 |
300 |
55 |
50 |
64 |
M22×1.5 |
250PCY14-1B |
385 |
420 |
18 |
100 |
140 |
110 |
110 |
230 |
180 |
280 |
360 |
60 |
55 |
76 |
M22×1.5 |
400PGY14-1B |
385 |
420 |
18 |
100 |
140 |
110 |
110 |
230 |
180 |
280 |
360 |
60 |
65 |
76 |
M22×1.5 |
|
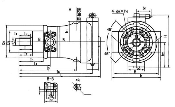
| |
型号 |
H |
h1 |
h2 |
h3 |
L |
I |
I0 |
I1 |
I2 |
I3 |
I4 |
I5 |
I6 |
t |
d0×h0 |
10PCY14-1B |
255 |
71 |
101 |
|
295 |
40 |
30 |
4 |
41 |
86 |
109 |
194 |
258 |
28 |
M10×25深 |
25(32)PCY14-1B |
280 |
83 |
120 |
|
362 |
52 |
45 |
4 |
54 |
104 |
134 |
246 |
317 |
32.5 |
M10×25深 |
40PCY14-1B |
280 |
83 |
120 |
|
362 |
52 |
45 |
4 |
54 |
104 |
134 |
246 |
317 |
35 |
M10×25深 |
63(80)PCY14-1B |
329 |
108 |
140 |
|
440 |
60 |
50 |
4 |
62 |
122 |
157 |
300 |
389 |
42.8 |
M12×25深 |
160PCY14-1B |
396 |
141 |
173 |
25 |
595 |
106 |
100 |
4 |
110 |
180 |
230 |
411 |
533 |
59 |
M16×35深 |
250PCY14-1B |
465 |
170 |
210 |
25 |
691 |
110 |
100 |
5 |
112 |
212 |
272 |
492 |
629 |
63.9 |
M20×45深 |
400PGY14-1B |
465 |
170 |
210 |
25 |
701 |
110 |
100 |
5 |
112 |
212 |
277 |
502 |
629 |
63.9 |
M20×45深 |
|
| |